Skip to main content

Alert

Due to a lapse in appropriations, the NRC has ceased normal operations. However, excepted and exempted activities necessary to maintain critical health and safety functions—as well as essential progress on designated critical activities, including those specified in Executive Order 14300—will continue, consistent with the OMB-Approved NRC Lapse Plan.

Part 21 Report - 1995-162

ACCESSION #: 9507170122

GENERAL INFORMATION or OTHER                      EVENT NUMBER: 29060

LICENSEE: LIMITORQUE CORPORATION        NOTIFICATION DATE:   07/13/95
    CITY: LYNCHBURG      REGION: 2      NOTIFICATION TIME:  16:30 [ET]
  COUNTY:                 STATE: VA     EVENT DATE:         07/13/95
LICENSE#:             AGREEMENT: N      EVENT TIME:         00:00[EDT]
DOCKET:                                 LAST UPDATE DATE:   07/13/95

                                                  NOTIFICATIONS

NRC NOTIFIED BY: CHARLES HYLTON
HQ OPS OFFICER: JOSEPH SEBROSKY         VERN HODGE          NRR

EMERGENCY CLASS: NOT APPLICABLE
10 CFR SECTION:
CCCC 21.21     UNSPECIFIED PARAGRAPH

                               EVENT TEXT

LIMITORQUE CORPORATION OF LYNCHBURG, VA REPORTED A POTENTIAL
DEFECT IN
SMB/SB/SBD-00 MOTOR OPERATED VALVE ACTUATORS IN ACCORDANCE WITH 10
CFR
PART 21.

LIMITORQUE DISCOVERED, THROUGH A NOTIFICATION FROM THE TVA, THE
POSSIBILITY OF THE OUTSIDE CLUTCH TRIPPER BECOMING WEDGED AGAINST
THE
ACTUATOR HOUSING AND PREVENTING THE ACTUATOR SHIFTING TO
ELECTRICAL FROM
MANUAL OPERATION WHEN THE MOTOR IS ENERGIZED.  LIMITORQUE
CONTENDS THAT
THIS CONDITION COULD BE REPORTABLE DEPENDING ON THE OPERATING
PRACTICES
OF THE LICENSEES, i.e.

- A REPORTABLE CONDITION DOES NOT EXIST IF THE INDIVIDUAL LICENSEES
PRACTICES ENSURE ACTUATOR ELECTRICAL (MOTOR) OPERATION
VERIFICATION AFTER
BEING IN THE MANUAL (HANDWHEEL) MODE.

- THE POTENTIAL FOR A REPORTABLE CONDITION EXISTS IF THE INDIVIDUAL
LICENSEES PRACTICES DO NOT ENSURE ACTUATOR (MOTOR) OPERATION
VERIFICATION
AFTER BEING IN THE MANUAL (HANDWHEEL) MODE.

LIMITORQUE'S INVESTIGATION OF THE CONDITION SHOWS THAT SMB/SB/SBD-00
HOUSINGS HAVING A CAST DATE OF 1979 OR EARLIER MAY HAVE THE
POTENTIAL FOR
THIS WEDGING AND INSTALLATION OF A 'TRIPPER STOP' WILL PREVENT THE
PROBLEM.  SMB/SB/SBD-00 HOUSINGS HAVING A CAST DATE OF 1980 OR LATER
WILL
NOT HAVE THE POTENTIAL FOR THE PROBLEM.

LIMITORQUE IS IN THE PROCESS OF MAKING A WRITTEN NOTIFICATION TO THE
AFFECTED NUCLEAR UTILITIES OF THE PROBLEM.


Limitorque
Corporation

July 12, 1995


Document Control Desk
U.S. Nuclear Regulatory Commission 
Washington, D. C 20555

Pursuant to the requirements of Tide 10 of the Code of Federal
Regulations Part 21, herein provided is notification of a potential
defect in Limitorque SMB/SB/SBD-00 actuators.  As detailed in the
attached letter, this condition is dependent on the individual Licensee's
internal operating practices that are used when declaring a motor
operated valve operable for safety related services.  Limitorque is
making written notice to both the Commission and the affected Nuclear
Utilities shown on the attached mailing list.

Signed:

Charles L. Hylton
Vice President-Engineering

WJM/lab

Attachment

cc:  Part 21 Committee Members 
     10 CFR Part 21 - #55 Evaluation File


Limitorque
Corporation

July 12, 1995

U.S. Nuclear Regulatory Commission
Washington, DC 20555

ATTENTION:     Document Control Desk

REFERENCE:     1)   Potential 10CFR 21 Condition
               2)   TVA Adverse Condition Report, Tracking No. 
                    WBPER950295

SUBJECT:       Clutch Tripper Jam-up in SMB-00 Housing

Please be advised that Limitorque Corporation has discovered, through the
above notification from TVA, the, possibility of the outside clutch
tripper (one of two trippers per assembly) becoming wedged against the
actuator housing and preventing the actuator shifting to electrical from
manual operation when the motor is energized.

This creation could potentially be reportable depending on the operating
practices of the licensee, i.e.:

     o    a reportable condition does not exist if the individual
          licensee's practices ensure actuator electrical (motor)
          operation verification after being in the manual (handwheel)
          mode.

     o    the potential for a reportable condition exists if the
          individual licensee's practices do not ensure actuator
          electrical (motor) operation verification after being in the
          manual (handwheel) mode.

Limitorque Corporation P.O. Box 11318 5114 Woodall Road Lynchburg, VA
24506-1318 Tel. (804) 528-4400 FAX (8N) 845-9736


Page 2
July 12, 1995
Clutch Tripper Jam-up in SMB-00 Housing

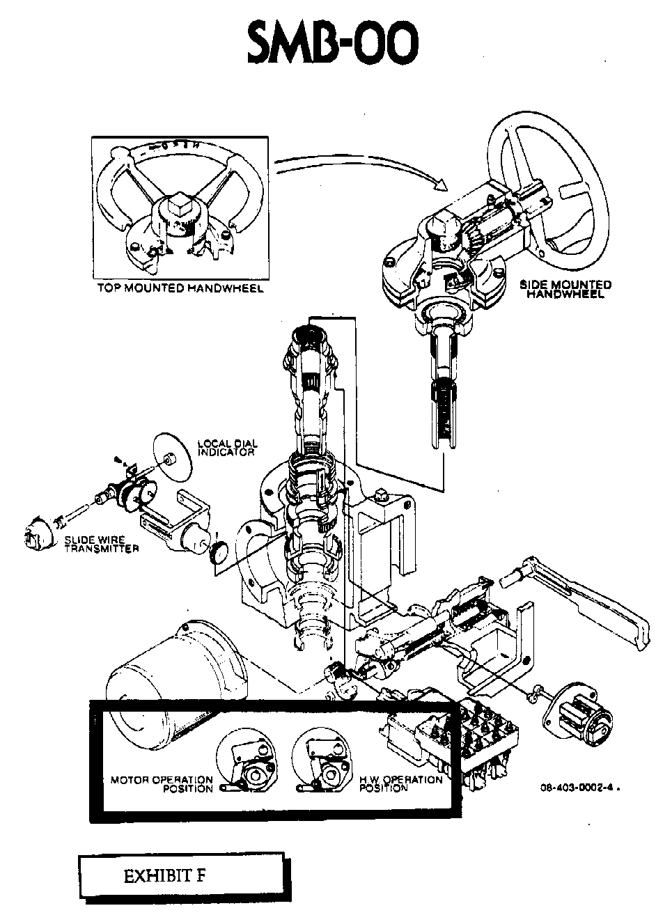
Identification of Basic Component

The affected component is the housing of an SMB/SB/SBD-00 actuator that
may cause the outside clutch tripper to become wedged and prevent the
actuator from automatically shifting to the "motor operation position"
from the "handwheel operation position" when the motor is energized -
Exhibit F.

Discovery Date

Limitorque was notified by TVA of this condition on 05-26-95 and we
completed our evaluation of affected equipment on July 6, 1995.

Description of the Event

When the actuator is in motor operation the two tripper cam continuously
rotate - Exhibit F.  If the actuator was previously in manual operation,
rotation of than cams will displace both tripper fingers from the tripper
adjustment arm allowing the actuator to return to motor operation.  The
distance that the outside tripper will advance is a function of the
rotary velocity of its respective cam at impact.  This event may result
in the outside tripper becoming wedged in She housing and preventing a
return to motor operation.

Nature of the Defect

Our investigation of this condition shows:

     -    a 1979 or earlier "cast date"  housing may cause the outside
          clutch tripper to [illegible prints].

     -    during the 1979 or earlier time period, while performing the
          "routine bench testing" of actuators, Limitorque would
          occasionally experience similar occurrences to that reported by
          TVA on 05-26-95.  When this condition occurred during the
          "routine bench test," Limitorque would hand grind the affected
          area of the housing to eliminate the material which was causing
          the wedging of the outside clutch tripper.

     -    since this condition was discovered during the "routine bench
          test," and the affected housings were being hand ground to
          remove material to prevent wedging of the outside clutch
          tripper, it was presumed this condition had been


Page 3
July 12, 1995
Clutch Tripper Jam-up in SMB-00 Housing

          corrected on the affected actuators prior to shipping from our
          facility.

Limitorque Corporation Corrective Action

The following is a list of modifications implemented by Limitorque to
correct this condition:

     o    prior to April 1979 - when the condition occurred during
          "routine bench test," material was removed by hand grinding the
          affected area of housing to prevent wedging.

     o    April 1979 - instructions given for potential installation of
          tripper stop, 60-505-007-1 in the existing inventory of
          SMB/SB/SBD-00 housings - Exhibits B and G.

     Note:     Our investigation was unable to produce records to show
               the number of units that had the tripper stops installed.

     o    April 1979 - simultaneously a housing casting modification was
          implemented which added material to the housing casting.  This
          modification inherently provided a positive stop for the
          outside clutch tripper to prevent potential wedging.  This
          modification was made to subsequent orders of housing castings
          and eliminated the need for the installation of the tripper
          stop - Exhibit C.

     o    September 1994 - re-designed the clutch end of the housing
          casting to eliminate a requirement for a machining operation in
          this area, which was required by the above modification, and
          still maintain the positive stop for the outside clutch tripper
          to prevent potential wedging - Exhibit D.

Our investigation of this condition shows:

     o    SMB/SB/SBD-00 housing having a "cast date" of 1979 or earlier
          may have the potential for this wedging and installation of the
          "tripper stop" will provide a positive stop for the outside
          clutch tripper and prevent the tripper from potentially
          becoming wedged against the actuator housing.

     o    SMB/SB/SBD-00 housings having a "cast date" of 1980 or later
          will not have the potential for this wedging of the outside
          clutch tripper since it has had material added to the pad in
          the housing which will inherently prevent the tripper from
          becoming wedged against the actuator housing.


Page 4
July 12, 1995
Clutch Tripper Jam-up in SMB-00 Housing

Notes:    Housings having a "cast date" of 1980 or later will have a
          Limitorque unit serial number of approximately 308000 or
          higher, also any serial number having an L-prefix followed by
          six digits will be in this category - example L365340.

          The serial number should not be the determining factor without
          "cast date" verifications.

          The "casting date" is located on the top side of the housing
          between the two conduit entries - Exhibit E.

          If "cast date" of housing cannot be determined, the geometry of
          the access hole on the clutch side of the housing will allow
          determination of pre and post 1980 housing castings.  Refer to
          the following Exhibits for the geometrical difference of the
          access holes in the housing:

                            [illegible Print]
                     1980 or later - Exhibit C or D

Licensee/Customer Corrective Action

     o    Review internal practices to verify if your individual
          operating practices ensure actuator electrical (motor)
          operation after being in the handwheel operation position 
          prior to placing the motor operated valve into safety related
          service.

          If your internal practices do not ensure the above, then the
          verification of the return to actuator electrical (motor)
          operation is required.  If this verification shows that the
          actuator has not automatically shifted to the motor operation
          after being in the handwheel operation position; an
          instantaneous tap on the declutch lever should free the outside
          clutch tripper from the wedged condition and the actuator will
          then automatically shift to motor operation.

          Note:     Do not fully depress the declutch lever when
                    performing this process, just tap the declutch lever
                    each time to free the outside clutch tripper from the
                    wedged condition.

Verification of the return to the electrical operating mode may be
accomplished by rotating the handwheel and verifying that the handwheel
is no longer in engagement with the clutch keys.  It is not necessary to
reposition the valve to accomplish this verification.



Page 5
July 12, 1995
Clutch Tripper Jam-up in SUB-00 Housing

It should be noted that Limitorque Corporation is not aware of other
field reports relative to this issue.  This would indicate that the
likelihood of recurrence is minimal or that operation's personnel have
been rectifying this problem.

The potential for occurrence however, exists on an actuator that
previously did not demonstrate this phenomenon, but has had the rotary
speed of the worm shaft increased via a motor or motor gear VA changeout.

Limitorque Corporation obtained an SMB-00 actuator of pre 1980 housing
design.  This actuator was subjected to testing in an attempt to
duplicate the reported problem.  "The actuator equipped with 37T motor
pinion and 28T worm shaft gear and driven by an 1800 rpm 3 phase motor 
( nearly equal to 2300 rpm @ worm shaft) was placed in manual mode and
then electrically opened with no malfunction.  This operational sequence
was repeated over several cycles with no malfunction.

The actuator was then fitted with a 3600 rpm 3 phase motor and a 43T
motor pinion/22T worm shaft gear set (this gear set results in the
highest worm shaft speed nearly equal to 6600 rpm).  The previously
mentioned operational sequence was duplicated and resulted in an
instantaneous malfunction.  The operational sequence was repeated and
produced several subsequent malfunctions and eventually resulted in
trouble fee operation.  This was the result of the tripper duplicating
the hand grinding of the casting material and eliminating the mechanical
Interference which prevented any additional testing.

o    Contact Ms. Evelyn Crain, Nuclear Parts for the required number of
     tripper stops, #60-505-M7-1 for SMB/SB/SBD-00 housing having a "cast
     date" prior to 1980.  These components will be furnished at no
     charge by Limitorque.  Ms. Evelyn Crain cm be contacted by phone
     (804) 528-4400, Ext. 9847, or fax (804) 945-9736.

     The no charge order will include a Certificate of Compliance
     stating:

     o    Parts supplied are provided in accordance with Limitorque's
          Quality Management System Manual.

     o    Proper installation of these parts will not adversely affect
          any existing qualification of the actuators involved,

Note:     If additional statements are required on the Certificate of
          Compliance, then charges would be assessed to the order by
          Limitorque.


Page 6
July 12, 1995
Clutch Tripper Jam-up in SMB-00 Housing

Also, attached is Limitorque Drawing, #60-505-0057-1 and Installation. 
Instructions if the license/customer decides to fabricate the tripper
stop.

Any questions or clarifications regarding the above notification may be
directed to Mr. Pat McQuillan, Nuclear/Special Projects Manager at (804)
528-4400, Ext. 9714, or fax (804) 845-9736.


Signed,


Charles L. Hylton
Vice President - Engineering

WJM/kls/lab

Attachment(s)

cc:  Mr. J. J. Brennan
     Part 21 Notification File


Figures "EXHIBITS A, B, C, D, E, F, G" 

                        INSTALLATION INSTRUCTIONS
                                   FOR
                       TRIPPER STOP, 60-505-0057-1


                    References: L/C Bulletin SMBI-82 

                             EXHIBITS A & B

1)   Remove the electric motor in accordance with Limitorque
     Instructions, and Maintenance Manual, Bulletin SMBI-82.

2)   If necessary, remove grease from the clutch cavity.

3)   Remove the socket head screw and lockwasher that secures the tripper
     adjustment arm - see  Exhibit A.

4)   Install the tripper Mop with the 'L' toward the tripper fingers, the
     socket head screw and lockwasher removed in step (3).

5)   The tripper stop should be positioned against the housing - see
     Exhibit B.  

     Note:     If necessary readjust clutch tripper adjustment arm per
               the instructions outlined in Bulletin SMBI-82.

6)   Move the outer tripper finger toward the tripper stop to ensure that
     it hits the short leg of the 'L'.

7)   Replace the grease and motor.

8)   Declutch and verify that actuator automatically shifts to electrical
     (motor) operation.


*** END OF DOCUMENT ***

Page Last Reviewed/Updated Wednesday, November 12, 2025

Page Last Reviewed/Updated Wednesday, November 12, 2025